Spustili jsme nový web. Pokud budete mít jakékoliv obtíže s jeho fungováním, budeme rádi za vaši zpětnou vazbu. Děkujeme.
Úvod Sortiment Ložiska a izolační objímky / pouzdra Kluzné ložisko s osazením
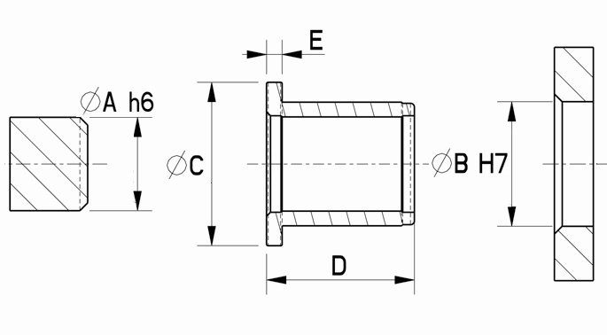
Kluzné ložisko s osazením

008-3

Kluzné ložisko s osazením

Bezúdržbové a vhodné pro vysokotlaká zatížení
Vykazují velmi nízké tření a dobrou tepelnou propustnost, součinitel
tření je 0,11 (statický), maximální rotační rychlost 0,9 m/s
Maximální provozní teplota 180°C (krátkodobá), 120°C (dlouhodobá)
Vyhovují DIN h6-H7
Barva: černá (RAL 7021)
Materiál: PA-66 + C(uhlíkové vlákno) + PTFE

Materiál: PA
Barvy:
černá
Zvolte počet kusů

Potřebujete poradit s výběrem?

Jsme tu pro vás

Pondělí-Čtvrtek od: 7:30 – 15:30 hod a Pátek od 7:30 – 14:30 hod

003 warehouse | Produkt - šablona
Jsme velkoobchod

Nabízíme množstevní slevy a individuální platební podmínky pro velkoodběratele

004 technical support 1 | Produkt - šablona
Poradíme vám s výběrem

Popište nám, co hledáte – rádi vám poradíme a najdeme vhodné řešení.

006 delivery truck | Produkt - šablona
Expresní odeslání zboží

Přijaté objednávky se snažíme expedovat ještě tentýž den.

location delivery box product placehold | Produkt - šablona
Možnost osobního odběru

Zboží vám rádi připravíme k vyzvednutí na našem skladě v Praze

1997 | Produkt - šablona
Jsme na trhu od roku 1997

Máme více než 10 tis. spokojených zákazníků v ČR a střední Evropě.