Spustili jsme nový web. Pokud budete mít jakékoliv obtíže s jeho fungováním, budeme rádi za vaši zpětnou vazbu. Děkujeme.
Úvod Sortiment Noha nerezová ocel – závit nerezová ocel Noha ke strojům se dvěmi otvory k upevnění – nerez
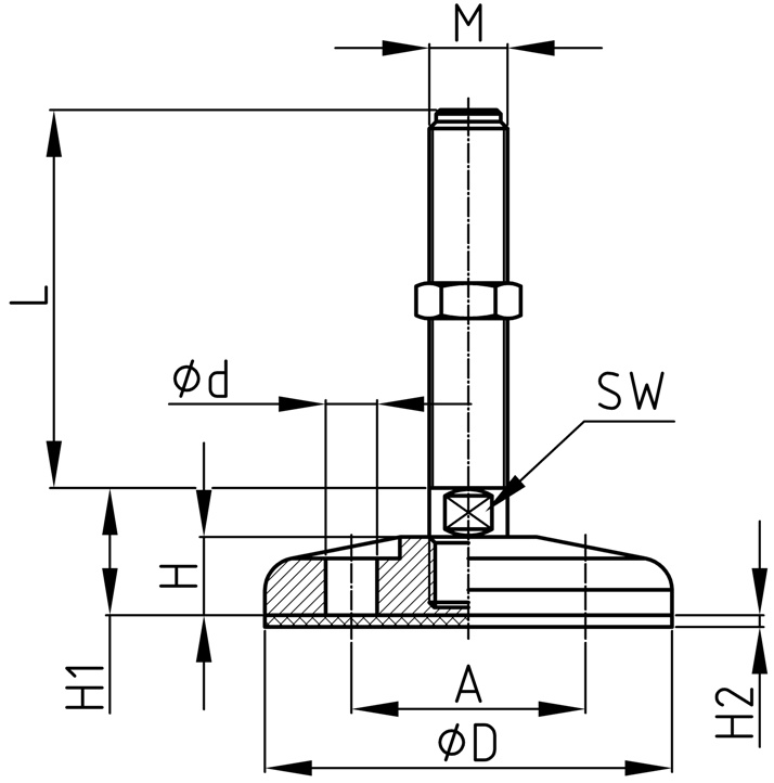
Noha ke strojům se dvěmi otvory k upevnění – nerez

MFSSG

Noha ke strojům se dvěmi otvory k upevnění – nerez

Možnost protiskluzové podložky (objednací číslo s „A“).Podložka není při dodání provrtána.
Protiskluzová podložka má sílu 3 mm („H2“)
Příklady použití: stroje
Materiál: základna – ušlechtilá ocel A2
protiskluzová podložka – guma (NBR 70 Shore)

Materiál: z
Zvolte počet kusů

Potřebujete poradit s výběrem?

Jsme tu pro vás

Pondělí-Čtvrtek od: 7:30 – 15:30 hod a Pátek od 7:30 – 14:30 hod

003 warehouse | Produkt - šablona
Jsme velkoobchod

Nabízíme množstevní slevy a individuální platební podmínky pro velkoodběratele

004 technical support 1 | Produkt - šablona
Poradíme vám s výběrem

Popište nám, co hledáte – rádi vám poradíme a najdeme vhodné řešení.

006 delivery truck | Produkt - šablona
Expresní odeslání zboží

Přijaté objednávky se snažíme expedovat ještě tentýž den.

location delivery box product placehold | Produkt - šablona
Možnost osobního odběru

Zboží vám rádi připravíme k vyzvednutí na našem skladě v Praze

1997 | Produkt - šablona
Jsme na trhu od roku 1997

Máme více než 10 tis. spokojených zákazníků v ČR a střední Evropě.